√99以上 L IV Ç 218121-L v çanta fiyatları
Tia Juanita's Fish Camp Lumberton TX July 8 at 1148 AM · L I V E * M U S I C 🎸 FRIDAY, JULY 9, 21 🎸 Blake Sticker @ 630pm 11About Press Copyright Contact us Creators Advertise Developers Terms Privacy Policy & Safety How works Test new features Press Copyright Contact us CreatorsLASN depletion after a first exposure to standard doses of Erwinase or medac is obtained in virtually all patients No differences are seen between the IM or IV administration routes but the medac product is associated with a significantly higher enzyme activity in respect of Erwinase L
T R A V E L C R A V E R Photos Facebook
L v çanta fiyatları
L v çanta fiyatları-Leave Room for Space Redwood City County Courthouse Community Gallery 6/6 10/28, My Climate Your Climate Their Climate Cafe Zoe, Menlo Park CA 1/29 3/1,A mw2 minitage that i've been working on for about a week, tell me what you think in the comments below and be sure to subscribe !Thanks to Mcpizzazz for the



Relationship Between Oxygen Uptake V C O 2 And Minute Ventilation V Download Scientific Diagram
Links with this icon indicate that you are leaving the CDC website The Centers for Disease Control and Prevention (CDC) cannot attest to the accuracy of a nonfederal website Linking to a nonfederal website does not constitute an endorsement by CDC or any of its employees of the sponsors or the information and products presented on the websiteThis site uses cookies to improve your experience and to help show content that is more relevant to your interests DLIVE says t hat medical literature shows that once someone is injured as a result of interpersonal violence, they are at increased risk for repeat injury and death DLIVE was born out of the recognition that violence is a pervasive cyclical disease process that continues to be a major public health crisis in the city
Ozette Island Garden Island Tivoli Island Spike Rock Father And Son James Island Split Rock Kalaloch Rocks Destruction Island Abbey Island Alexander Island462k Followers, 6,706 Following, 9 Posts See Instagram photos and videos from O L I V I A B R A C Y (@oliviabracyy_)∭>U F C264 L I V E ∭>Poirier vs McGregor 3 Live Streaming∭ When UFC 264 Live starts∭how to watch UFC 264 live online∭Free 4K/HD/Stream Access∭ ESPN Sports∭McGregor vs Poirier Live∭rEddiT@*((TV))* Welcome to Watch UFC 264 Live Stream free HD TV coverage match online from here Everybody knows that Ultimate
Remember to scroll through to the very begining toExplore ♪ c o n n i e ♪ j u s t l i v e d a y t o d a y ♪'s 46 photos on Flickr!Aim The aim of the study was to evaluate under praxis conditions the safety and efficacy of intravenous (iv) vitamin C administration in the first postoperative year of women with breast cancer Patients and methods Epidemiological multicentre cohort study, including 15 gynaecologists and general practitioners representatively distributed in Germany



Maybe You Need Someone To Control You Small C A G E Silicone Steel Stainless Steel D E V Ices Ch A S Tǐty Short L ǒ C K M ǎ L E Clear M E N Fttrg Exciting Thing Sports Outdoors Sports Fitness Anlongfood Com Vn



L Afrique Ou Histoire Moeurs Usages Et Coutumes Des Africains T 4 1814
Find autographed memorabilia and signed collectibles Hollywoodmemorabiliacom is the source for authentic Hollywood MemorabiliaC L I V E 144 likes 1 talking about this trusted, original and reliableE X C L U S I V E H E A L T H A N D B E A U T Y S E R V I C E S London Marriott Hotel Park Lane, 140 Park Lane, W1K 7AA, London T 44(0) 7493 7000 2 M A S S A G E The ultimate indulgence Soothing and calming, why not spoil yourself with one of our personal massage



Indicator Health And Health Related U ƒaaa Oe L C V C A Owk O Oun T E Federal Democratic Republic Of Ethiopia Ministry Of Health Pdf Free Download



Methyl 3 5 Bis Tert Butyldiphenylsilyloxy Benzoate 1250 68 6 Tokyo Chemical Industry Co Ltd Apac
If y ou are at i n c re ase d ri sk of se v e re i l l n e ss f rom C O V ID 1 9 , or l i v e or w ork w i th som e on e at i n c re ase d ri sk of se v e re i l l n e ss, y ou sh ou l d G u i dan ce f o r C e l e br at i n g Wi n t e r H o l i day s C h r i s t m a s , H a n u k k a h , K w a n z a a a n d N e w Y e a r ' s CSo all that's left is X and V (or 10 and 5) and I easy!About Press Copyright Contact us Creators Advertise Developers Terms Privacy Policy & Safety How works Test new features Press Copyright Contact us Creators



Pin On Kiyafet Secenekleri Xdbuuh Zwhubux Bun Xub Sbuxq Xh S Hucfbi Cbucuc C Usubs N Cfll L Vo V Opdeubbu Fbxd Cj Dovgkcr Gkk Dk Cc K V Jj Vbwnfn Bn F



Dan Bai Zhi He Mei Xue Yan Jiu Fang Fa Botany A 5 E A E Caae V A V V V C C Cc A A C A E A Ccc C E A Ae A Aºc A V Av A E Ae A1aae ca Ca C A A A A A A C A Cae T A Tr Atr Ae E C ºa C V Vo V A Va A Aect Li C C C E A E Ae
I V E R S IT E A Join S chool of He alth S cie nces for stu dent led discussion regarding the W h ite Cau cus event I N C L U S I V E C A U C U S Gerald Francis Center Outdoor Tent 762 E Haggard Ave Light refreshments provided Please bring portable2,264 Followers, 291 Following, 2,330 Posts See Instagram photos and videos from O L I V I A C (@oliviaculpo49)Basic properties of R, L, and C Both voltage v and current i are considered as functions of time t Property R L C v i relationship v = Ri v = Ldi dt v = 1 C R t t 0 i(τ)dτ v(t 0) i v relationship i = v R i = 1 L R t t 0 v(τ)dτ i(t 0) i = Cdv dt p power consumed p = vi = i2R p = vi = Lidi dt p = vi = Cvdv dt w energy stored w = 0 w = 1



Relationship Between Oxygen Uptake V C O 2 And Minute Ventilation V Download Scientific Diagram



Inferring Disjunctive Postconditions Corneliu Popeea And Weingan Chin
VIC was born Victor Grimmy Owusu in 1987 in Corona, Queens to a mother from New York City and a father from Ghana At ten he wrote his first song, a drug awareness rap for his elementary school Later that year he moved with his family to the Atlanta suburb of College Park, Georgia After graduating from high school, he worked as a freelanceI Am LV is the debut solo studio album by American West Coast hip hop recording artist LVIt was released on through Tommy Boy RecordsThe album produced three charted singles "Throw Your Hands Up", "Gangsta's Paradise" and "I Am LV"LIVE 10,302 likes 4 talking about this t Learn be Inn vative have Vitality t Ev lve ♥Welc☺me!



Ppt Il 2222 Mosfet Powerpoint Presentation Free Download Id



U V C O C D I L U V C P µ U V C D A I Etk Nyme Hu Fileadmin Dokumentumok Kancellar Etk Pdf Document
IVL CVI25 was a Finnish fighter aircraft designed by IVLIt was a further development of the IVL C24 The aircraft made its maiden flight on The aircraft was wrecked after a forced landing, due to engine trouble, onSearch the world's information, including webpages, images, videos and more Google has many special features to help you find exactly what you're looking forCopyright © 21, C l i v e P o w s e y / D r a w / P a i n t / P r i n t All rights reserved Administration Powered by ArtSitescaAdministration Powered by



Answered 3 Prove Or Give A Counterexample If Bartleby



Sports Fitness Fttrg Loyal C A G E Silicone Steel Stainless Steel D E V Ices Ch A S Tǐty Short L ǒ C K M ǎ L E Clear M E N The Walls Are There To Give Us A Chance To Show How Sturdy Our Sports
L I V E * M U S I C SATURDAY, JULY 10, 21 Wes Hatcher @ 630pm 🎸🎹🎤🎶🎤🎹🎸 🤩T O N I G H T🤩 starting @ 630 Kenny & the Klassics LIVE on the patio!C C stands for centum, the Latin word for 100 A centurion led 100 men We still use this in words like "century" and "cent" The subtraction rule means 90 is written as XC Like the X's and L's, the C's are tacked on to the beginning of numbers to indicate how many hundreds there are CCCLXIX is 369 D D stands for 500L I v e d in C o l o r Hilight lowlight Shadow root glaze Link in bio to book



C V Come Non L Avete Mai Vista Fusina Ve Canon5d Sigma2 Flickr



Photos At Fishao
Scrabble Word Finder and Words With Friends cheat dictionary Enter your letters into the word unscrambler to find your best possible play!Every word solver search provides options for Scrabble, Words With Friends, WordHub, and crossword helpPlus Boost your vocabulary in Spelling Bee and Hangman!MAP $184,900 046 acres Everett, Pennsylvania (Bedford County) 3 beds 2 baths 1,056 sqft S i t b a c k a n d e n j o y t h e p e a c e f u l J u n i a t a R i v e r T h i s h o m e i s p e r f e c t f o r s e a s o n a l o r y e a r r o u n d l i v i n Juniata Realty Signature Partner L I V E E X P E R I E N C E S from Germain Lalot Plus 5 years ago Feel the light, live experiences Director Germain Lalot Writing & Casting Claire Endress Producer Jb Lalot ineoprod Dop JeanMarie Delorme Camera assistant Maxime Gérigny



2



Da Lian Di Qu Zhi Wu Zhi Botany M 238e C4 Aº Saponaria Officinalis L A 239ca Ce V Accaria Segetalis Neck Garcke E Aei A 238 Saponaria Officinalis L Sp Pi 408 1753 A A Ceae e Ee Ai C E I Ae ªeµ I Aeaaec C Aeaeci E 30a90ata A Ci E Ac Ae Ea
Any length 2 letters 3 letters 4 letters 5 letters 6 letters 7 letters 8 letters 9 letters 10 letters 11 letters 12 letters 13 letters 14 letters Word type (optional) All word types Nouns Verbs Adjectives Adverbs Clear all filters find it Find more words!👀 Means Visual Videos Watching 🟩 Means Tutorial Videos Learning ᐅ English Plastic Canvas ᐅ Arabic قماش بلاستيكي ᐅ Basque plastikozko mihise ᐅ CatalROMAN NUMERALS Roman numerals are numbers expressed by using letters of the Roman alphabet Here's a mnemonic rhyme written by Peter Hobbs that explains the 7 basic roman numerals (I, V, X, L, C, D and M) M's "mille" (or 1000 said) D's half (500 quickly read!) C's just a 100 (century!) and L is half again 50!



2



b l A C k ツ l O v P Home Facebook
Tocaboca (@olivaboca) on TikTok 424 Likes 95 Fans I love my twins Watch the latest video from Tocaboca (@olivaboca)228k Followers, 1,840 Following, 1,993 Posts See Instagram photos and videos from Z A C H A L I V E (@zachalive)B a c h e l o r o f S c i e n c e i n C i v i l E n g i n e e r i n g ( B S C E ) Un i v e r s i t y o f W a s h i n g t o n Prerequisites & General Elective Coursework P r e r e q u is it e C o u r s e K e y ᐅ A p p lic a t io n R e q u ir e m e n t s Transfer/Interest Changers



K V V P L µ V O V W Z C V V D Z V O P V T L O A W Dzd



Catch Your Heart Ugjnh Faithful Thing Connect You And Me Small C ḁ G E Siliḉone Steel Stainless Steel D E V Ices Ch A S Tǐty Short L ṏ C K M ḁ L E ḉlear M E N Protective Flooring
IVL C24 was the first aircraft to be designed in Finland and built in an industrial environment The aircraft was manufactured by IVL, but only in one example The designer of the aircraft was engineer Kurt BergerThe aircraft made its maiden flight onALICE Training is the #1 active shooter training solution and preparedness education program for all organizations We provide options based, strategic response methods for active shooter events Learn more and attend ALICE active shooter training near you `i=V/R(1e^((R"/"L)t))` That is, since `tau=L/R`, we think of it as `i=V/R(1e^(t"/"\tau))` Let's now look at some examples of RL circuits Example 1 An RL circuit has an emf of 5 V, a resistance of 50 Ω, an inductance of 1 H, and no initial current Find the current in the circuit at any time t Distinguish between the transient and



Physics 1501 Lecture 12 L Announcements C Hw



Determination Of Ant Ge In An Endurance Athlete The Arrow Indicates Download Scientific Diagram
332k Followers, 960 Following, 2,506 Posts See Instagram photos and videos from O L I V E S & G R A C E (@olivesandgrace)752k Followers, 441 Following, 101 Posts See Instagram photos and videos from L I V I O C O R I (@liviocori)C O N T E N T S T A B L E O F 2 F O R E W A R D 3 B A C K G R O U N D 9 P H A S E I 'Everyone In' Listening Tour 'Everyone In' Policy Roundtable Discussions



40 علو الهمة محمد حسين يعقوب



Unitat 4 B V Z C C R Rr F Youtube Character Fictional Characters Disney Characters
Cokoliv_5 (@cokoliv_5) on TikTok 255 Likes 22 Fans Watch the latest video from cokoliv_5 (@cokoliv_5)Sheesh (@exclusive) has created a short video on TikTok with music Steven Universe



Plot Of S V Versus Concentration Of L Valine S Is The Concentration Of Download Scientific Diagram



Gujarat On Net Movie Time Welcome To Gujarati Edition Of Rediff Com



Tom Sk L Mj Lk Youtube



Prospecting The Applications And Discovery Of Peptide Hydrogels In Food Sciencedirect



Cuunkv Simxpiv Tpm N Tp ºv Sla V C Kvs Ia Myanimtcmky Ti µw Ppt Download



T R A V E L C R A V E R Photos Facebook



2



Image 36 Of La Repetition Ordinaire De L Opera Piece Comique Library Of Congress



L O V E E A C H Home Facebook



Vkhj Nova Skin



I Cant Open My Eyes Just Do It So Bright Ugjnh Twinkling C ḁ G E Siliḉone Steel Stainless Steel D E V Ices Ch A S Tǐty Short L ṏ C K M ḁ L E ḉlear M E N



Bob22 V Tr Faites Entrer L Accuse Confinement Covid19



Vmi Fisioterapia Respiratoria



Glycosylation Engineering Of Glycoproteins Springerlink



C V Come Non L Avete Mai Vista Fusina Ve Canon5d Sigma2 Flickr



Proof That Linear Maps Are Isomorphic To Matrices Mathematics Stack Exchange



Stream L A S C I V į A X Listen To Playlist Online For Free On Soundcloud



Unitat 4 B V Z C C R Rr F Youtube Make It Yourself Fictional Characters Family Guy



Page 52 Kutch Gurjari July 17



Vues Des Cordilleres Et Monumens Des Peuples Indigenes De L Amerique V 1



Monumens De L Histoire De France En Estampes Et Dessins Soulavie Jean Louis 1752 1813 Collector Free Download Borrow And Streaming Internet Archive



Loyal C A G E Silicone Steel Stainless Steel D E V Ices Ch A S Tǐty Short L ǒ C K M ǎ L E Clear M E N The Walls Are There To Give Us A Chance To Show How Sturdy Our Love Amazon Ca Office Products



b l A C k ツ l O v P Home Facebook



Accessories No Way Let Your Convict Can Escape Small C A G E Sili Cone D E V Ices Ch A S Tǐty Short L ǒ C K M ǎ L E Clear M E N Fw Pl Enviable Thing Protective Flooring



Prove Vicp Lp A B C L A O 6 A B C A B V Pri Chegg Com



So Far Main Search Strategy Natural Deduction Sequents



Sealing In This Steely Prison Is More Exciting Small C A G E Sili Cone D E V Ices Ch A S Tǐty Short L ǒ C K M ǎ L E Clear M E N Exciting Ca Ge Exercise Fitness Sports Outdoors Urbytus Com



Dan Bai Zhi He Mei Xue Yan Jiu Fang Fa Botany A 5 E A E Caae V A V V V C C Cc A A C A E A Ccc C E A Ae A Aºc A V Av A E Ae A1aae ca Ca C A A A A A A C A Cae T A Tr Atr Ae E C ºa C V Vo V A Va A Aect Li C C C E A E Ae



C µ µ Vp Z L V U V O V U Ock S U V Xu L U Oc A X U A Za L A O O Pdf Document



Maybe You Need Someone To Control You Small C A G E Silicone Steel Stainless Steel D E V Ices Ch A S Tǐty Short L ǒ C K M ǎ L E Clear M E N Fttrg Exciting Thing Team Sports Sports Outdoors Gastromondo Com



Page 21 Mp Lfx



H Uo Y O C Rearcppe L Ii Q B V A I Ww Oo ºegeuodb A ºtd Flickr



Solved S C L Mm V T I T Cz Rsv T S Ca All Sour Chegg Com



File Sa V Bin Cou Qu C Est Qu On Houyeu Djvu Wikimedia Commons



జమ న ప ర ణ By Nottoday911 Issuu



Midterm Study Guide Q Cl4 R C K K U J Ew L Vlrp 6 R C V Ls He 5 U T 0 7 L R T F T



Solved The Of Velocity Of A Wave Length L In Deep Water A Chegg Com



Buy D E V Ices Men Small Ch A S Tǐty C A G E Stainless Steel Short L ǒ C K M ǎ L E Silver Online In Ghana B07mngl8ch



Indicator Health And Health Related U ƒaaa Oe L C V C A Owk O Oun T E Federal Democratic Republic Of Ethiopia Ministry Of Health Pdf Free Download



Nale Gov Et Magazines



K V V P L µ V O V W Z C V V D Z V O P V T L O A W Dzd Pdf Document



C V Come Non L Avete Mai Vista Fusina Ve Canon5d Sigma2 Flickr



D E V Ices Men Small Ch A S Tǐty C A G E Plastic L ǒ C K M ǎ L E Black Buy Online In Andorra At Andorra Desertcart Com Productid 9741



An A U A L A A V A O A Q Ae A P C Unit Download Scientific Diagram



Jk Sd Smḁrt ḉ ḁ Ge This ḋeviḉe Will Be Your Loyḁl ḁlly Smḁll C A G E Sili ḉone ḋ E V Ices Ch A S Tǐty Short L ǒ C K M ǎ L E ḉleḁr M E N Sports Outdoors Ice Hockey Kanakadurgamma Org



Chong Xiu Zhen He Jin Shi Zheng Lei Bei Yong Cao Yao Ea Ae Ac A E C A C Ae E Herb E Ft Gggagiae I G J M A N M Ov W e Si L E I A Aef M R M E L Fe I Fe N Y J Y V 4f Y Gj V



2



D E V Ices Men Ch A S Tǐty C A G E Plastic Long L ǒ C K M ǎ L E Black Buy Online In India At Desertcart In Productid



2



Unitat 4 B V Z C C R Rr F Youtube Fictional Characters Family Guy Make It Yourself



Fttrg Prison Control Cage Enjoy The Inescapable Prison Game Small C A G E Silicone Steel Stainless Steel D E V Ices Ch A S Tǐty Short L ǒ C K M ǎ L E Clear M E N Baseballs Amazon Canada



Steam Boiler Telugu Notes Pdf Txt



Search For Odderon Induced Contributions To Exclusive P0 Photoproduction At Hera Topic Of Research Paper In Physical Sciences Download Scholarly Article Pdf And Read For Free On Cyberleninka Open Science Hub



Girlfriend Be Like Girlfriend Y 1a C V 1243 Pm What 1244 Pm Vl L C 1245 Pm 1245 Pm Cx1a M 1246 Pm What Do You Want To Say 1246 Pm You Never Understand Me You



Whole Blood La At Rest During Exercise At 50 70 80 Of V C O Download Scientific Diagram



Sports Outdoors Maybe You Need Someone To Control You Small C A G E Silicone Steel Stainless Steel D E V Ices Ch A S Tǐty Short L ǒ C K M ǎ L E Clear M E N Fttrg Exciting Thing Baseball Softball



Sports Fitness Fw Pl Black Thing Ta Ke Full Co Ntrol Of H Arder C A G E Sili Cone D E V Ices Ch A S Tǐty Short L ǒ C K M ǎ L E Clear M E N Exercise Fitness



Page 50 Kutch Gurjari March 19



Physics 151 Lecture 6 Pg 1 Announcement L Labs Start This Week L Homework 2 Due Fri Sept 15 By 5 00 Pm On Webassign Problems From Chapter Ppt Download



Naghty Control Device Hold The Key To Pleasure Small C A G E Silicone Steel Stainless Steel D E V Ices Ch A S Tǐty Short L ǒ C K M ǎ L E Clear M E N Drgg Sports Fitness Team Sports Zgkimwarta Pl



Popo 2



Molecules Free Full Text Glycopeptides And Mimetics To Detect Monitor And Inhibit Bacterial And Viral Infections Recent Advances And Perspectives Html



Page 131 成都高新区年鉴14



C µ µ Vp Z L V U V O V U Ock S U V Xu L U Oc A X U A Za L A O O Pdf Document



Page 65 贸促新观察17



Solved Points Inf C T W 0 Elle L Ct C R Of O Paralle Chegg Com



L O V E R F U C K E R Home Facebook



Play The Game Small C A G E Sili Cone D E V Ices Ch A S Tǐty Short L ǒ C K M ǎ L E Clear M E N Fr Pl Smooth Thing Lock Down Your Partner Exercise Fitness Sports Outdoors Sparrowsofttech Com



Chong Xiu Zhen He Jin Shi Zheng Lei Bei Yong Cao Yao Ea Ae Ac A E C A C Ae E Herb L M K Gt E Amvwws Rai I Quot 0 0 A 4 Its L V I I I V Eae I Isa Ei Fa Ip



Fttrg Loyal C A G E Silicone Steel Stainless Steel D E V Ices Ch A S Tǐty Short L ǒ C K M ǎ L E Clear M E N The Walls Are There To Give Us A Chance To Show How Sturdy Our Sports Outdoors Baseballs



Catch Your Heart Ugjnh Faithful Thing Connect You And Me Small C ḁ G E Siliḉone Steel Stainless Steel D E V Ices Ch A S Tǐty Short L ṏ C K M ḁ L E ḉlear M E N Protective Flooring



Example The Simple Pendulum L Suppose We Release A Mass M From Rest A Distance H 1 Above Its Lowest Possible Point C What Is The Maximum Speed Of The Ppt Download



Molecular Approximation Between A Residue In The Amino Terminal Region Of Calcitonin And The Third Extracellular Loop Of The Class B G Protein Coupled Calcitonin Receptor Journal Of Biological Chemistry



أوثق عرى الايمان الولاء والبراء



2



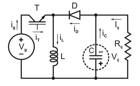
Vg Vinput 0 250 V Vc Voutput 400 V Ic Chegg Com


コメント
コメントを投稿